欢迎您来到 泰州市诚信热交换器制造厂官网!
网站地图
RSS订阅
全国服务热线:
13805268763
13952683630
0523-88691970
网站首页
关于我们
新闻中心
产品展示
公司资质
客户反馈
营销网络
联系我们
板式换热器
BRB系列板式换热器
MB15可拆式板式换热器
BR系列板式换热器
JP200板式换热器
lx-SR可折式板式换热器
空气(风)冷却器
列管式冷却器
钎焊换热器
当前位置:
首页
>
产品信息
>
列管式冷却器
>
GL系列冷却器
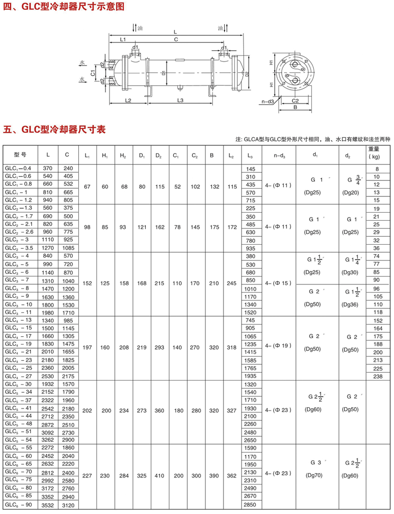
GL系列冷却器
发布时间:2018-06-21
产品详情
下一篇:
LC 系列冷却器
上一篇:
GLQ型汽轮机配套冷却器
泰州市诚信热交换器制造厂
版权所有
备案号:苏ICP备2023050729号-1
苏ICP备18033811号-1
技术支持:优斗士系统